






Нагреватель электрический REH 80-50-30
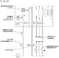
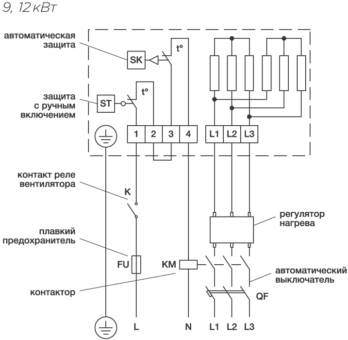
ОПИСАНИЕ Преимущества Корпус изготовлен из оцинкованной стали. Фланцевое подсоединение. ТЭНы изготовлены из высококачественной нержавеющей стали Защитный термостат с ручным перезапуском (температура отключения 120°С). Защитный термостат с автоматическим перезапуском (температура отключения 60°С) Электропитание 400 В, 50 Гц, 3 ф. Монтаж: Нагреватели должны устанавливаться таким образом, чтобы воздушный поток был направлен согласно стрелке на корпусе. Воздухонагреватели устанавливаются внутри помещения.Возможна установка как в горизонтальных, так и в вертикальных каналах. При горизонтальной установке не допускается установка электрошкафом вверх или вниз. Раcстояние от нагревателя до заслонки, фильтра, отвода и других подобных элементов должно быть не менее двух эквивалентных диаметров присоединительного патрубка.Скорость воздуха в воздухонагревателе должна быть не менее 1,5 м/с. Максимальная температура воздуха на выходе составляет 40°С.. Подключение электропитания: Электропитание на нагреватель должно быть подано после включения вентилятора при достаточном потоке воздуха.Кабель электропитания должен соответствовать мощности воздухонагревателя. Автоматический выключатель также должен соответствовать мощности и номинальному потребляемому току. Внешнее реле защиты должно быть с автоматическим возвратом в исходное положение. Корпус воздухонагревателя должен быть заземлен. Сертификат: Декларация соответствия ТР ТС.




